
東莞市精準機電科技有限公司
電 話:0769-82658821
傳 真:0769-89026606
手 機:18928261121
聯系人:陳先生 (技術咨詢)
網 址 : m.shenyangcom.cn
地 址:廣東省東莞市長安鎮新安社區橫崗頭工業區
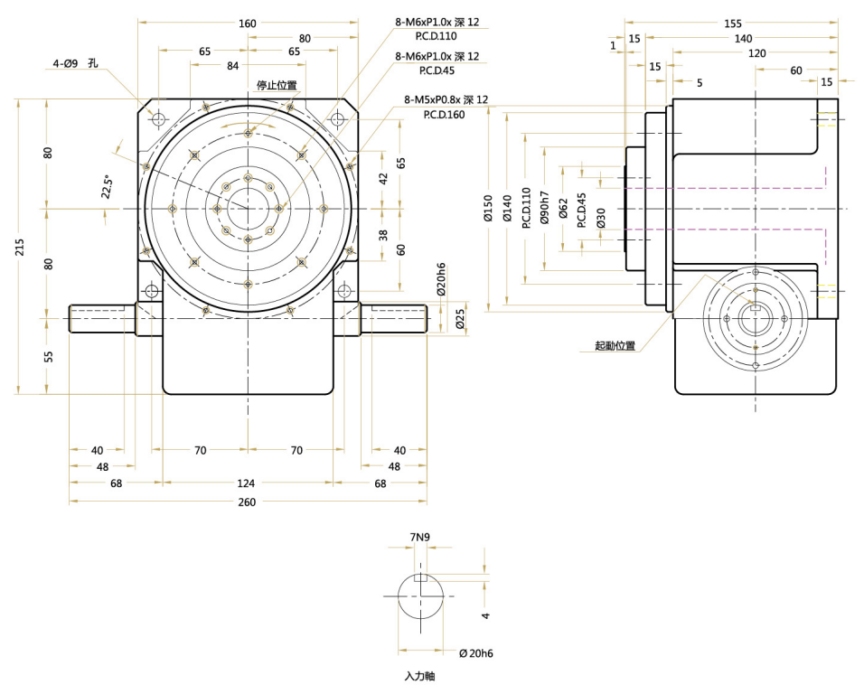
詳細介紹

技術參數:
項目 | 符號 | 單位 | 數值 |
出力軸容許徑向負荷 | C1 | kgf | 520 |
出力軸容許軸向負荷 | C2 | kgf | 220 |
出力軸容許力矩 | Ts | kgf-m | 參考力矩表 |
入力軸容許徑向負荷 | C3 | kgf | 200 |
入力軸max彎曲力矩 | C4 | kgf | 160 |
入力軸max扭矩 | C5 | kgf-m | 9.5 |
入力軸的GD2(注1) | C6 | kgf-m2 | 0.03 |
定位分割精度 | sec. | ±30 | |
重量 | kg | 20 | |
注1:入力軸的GD2是在停留范圍內的數值 | 注2:C1至C5數值是達到安 全系數=2時的數值 | ||